ТМ 6

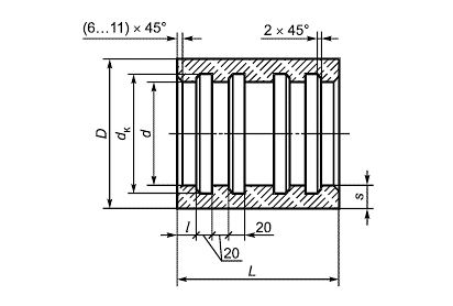
Чертеж изделия:
Характеристики изделия:
ПараметрЗначение
длина220 мм
ширина626 мм
высота626 мм
масса43,5 кг
нормативный документГОСТ 31416-2009

ТМ 6   Муфты хризотилцементные для напорных теплопроводов ГОСТ 31416-2009.