С 8-30
Характеристики изделия:
| Параметр | Значение |
|---|---|
| длина | 8000 мм |
| ширина | 300 мм |
| высота | 300 мм |
| вес | 1780 мм |
| серия | 1.011.1-7 |
Цена:
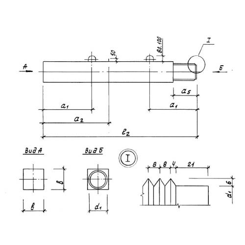
Рассчитать стоимостьС 8-30 Свая составная верхняя квадратного сплошного сечения по серии 1.011.1-7.
| Параметр | Значение |
|---|---|
| длина | 8000 мм |
| ширина | 300 мм |
| высота | 300 мм |
| вес | 1780 мм |
| серия | 1.011.1-7 |
С 8-30 Свая составная верхняя квадратного сплошного сечения по серии 1.011.1-7.
