ЛМ 57.14.17

Чертеж изделия:
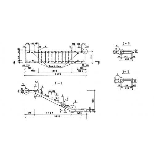
Характеристики изделия:
ПараметрЗначение
длина5650 мм
ширина1150 мм
высота1650 мм
масса2260 кг
нормативный документСерия 1.020-1

ЛМ 57.14.17  Лестничные марши Серия 1.020-1.