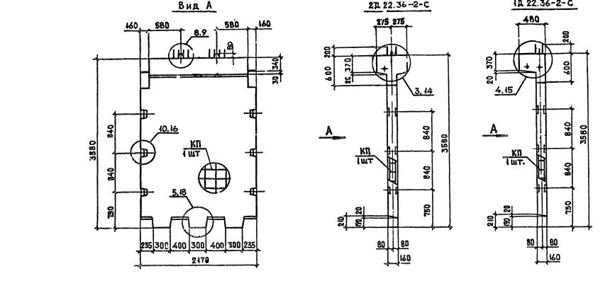
Д 22
Характеристики изделия:
| Параметр | Значение |
|---|---|
| длина | 2170 мм |
| ширина | 480 мм |
| высота | 3580 мм |
| масса | 3200 кг |
| нормативный документ | Серия 1.020.1-2с/89 |
Цена:
Рассчитать стоимостьД 22 Диафрагмы жесткости Серия 1.020.1-2с/89.
| Параметр | Значение |
|---|---|
| длина | 2170 мм |
| ширина | 480 мм |
| высота | 3580 мм |
| масса | 3200 кг |
| нормативный документ | Серия 1.020.1-2с/89 |
Д 22 Диафрагмы жесткости Серия 1.020.1-2с/89.