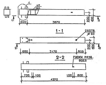
КБ 33
Характеристики изделия:
| Параметр | Значение |
|---|---|
| длина | 4370 мм |
| ширина | 400 мм |
| высота | 400 мм |
| масса | 1747 кг |
| нормативный документ | Серия 1.020.1-2с/89 |
Цена:
Рассчитать стоимостьКБ 33 Колонны бесстыковые Серия 1.020.1-2с/89.
| Параметр | Значение |
|---|---|
| длина | 4370 мм |
| ширина | 400 мм |
| высота | 400 мм |
| масса | 1747 кг |
| нормативный документ | Серия 1.020.1-2с/89 |
КБ 33 Колонны бесстыковые Серия 1.020.1-2с/89.