4КО 3.(28)33

Чертеж изделия:
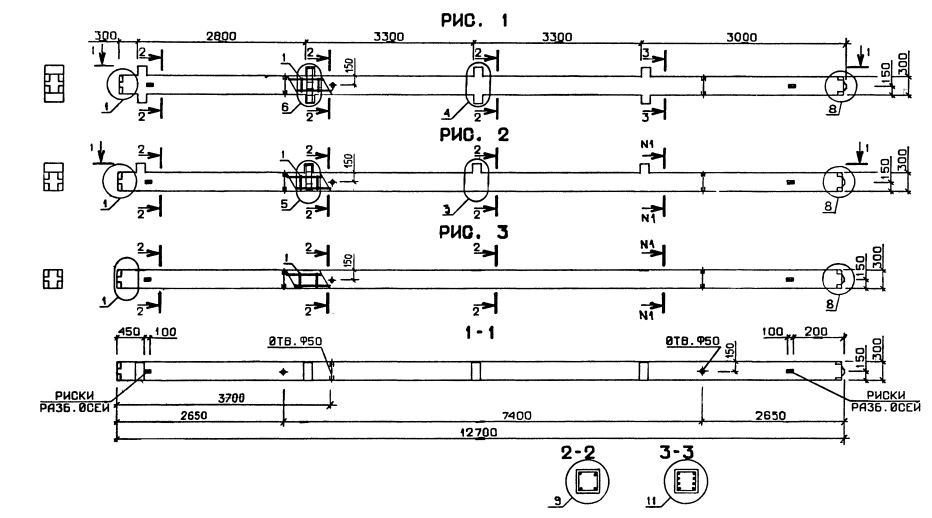
Характеристики изделия:
ПараметрЗначение
длина12700 мм
ширина300 мм
высота450 мм
масса3070 кг
нормативный документСерия 1.020.1-3пв

4КО 3.(28)33  Колонны одноконсольные Серия 1.020.1-3пв.