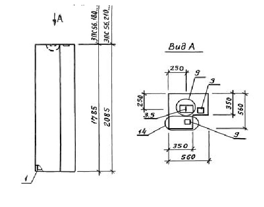
ПС 56.210.35 панели стеновые

Чертеж изделия:
Характеристики изделия:
ПараметрЗначение
длина560 мм
ширина350 мм
высота2085 мм
масса790 кг
нормативный документСерия 1.030.1-1/88

ПС 56.210.35  Панели стеновые Серия 1.030.1-1/88.