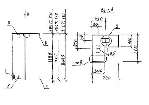
ПС 72.120.30 панели стеновые

Чертеж изделия:
Характеристики изделия:
ПараметрЗначение
длина720 мм
ширина300 мм
высота1185 мм
масса560 кг
нормативный документСерия 1.030.1-1/88

ПС 72.120.30  Панели стеновые Серия 1.030.1-1/88.