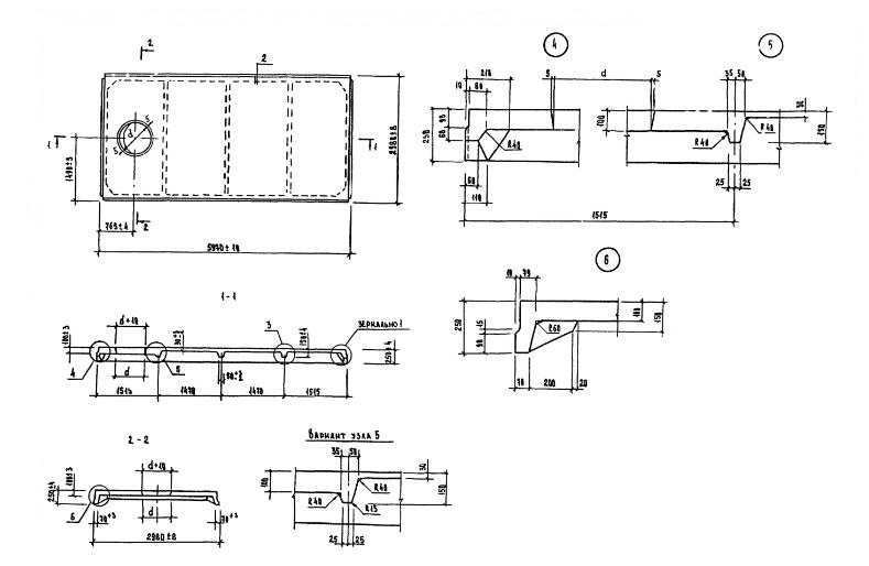
1ПВ 6 плиты ребристые

Чертеж изделия:
Характеристики изделия:
ПараметрЗначение
длина5970 мм
ширина2980 мм
высота250 мм
масса2900 кг
нормативный документСерия 1.065.1-2/94

1ПВ 6  Плиты ребристые Серия 1.065.1-2/94.