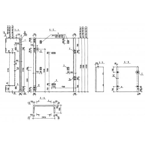
БШЛ 100-42 блок шахты лифта основной

Чертеж изделия:
Характеристики изделия:
ПараметрЗначение
длина2820 мм
ширина1050 мм
высота4180 мм
масса5610 кг
нормативный документСерия 1.089.1-1

БШЛ 100-42 Блоки шахт лифтов Серия 1.089.1-1.