2ПСО 32.33.3-1П-С

Чертеж изделия:
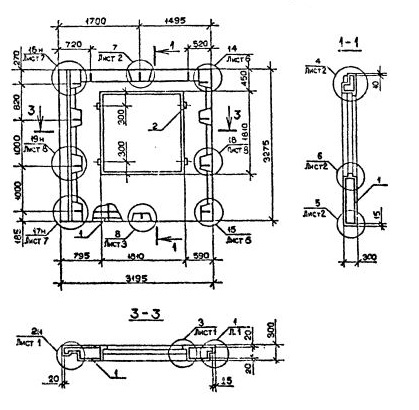
Характеристики изделия:
ПараметрЗначение
длина3195 мм
ширина300 мм
высота3275 мм
масса2060 кг
нормативный документСерия 1.090.1-2с

Панели наружных стен однослойные для зданий с  высотой этажа 3,3 м (Серия 1.090.1-2с).

2ПСО 32.33.3-1П-С   Панели стеновые с оконным проемом .

2ПСО 32.33.3-2П-С

1...9 - в панелях с дверными и окнными проемами - отличие в размерах и расположении проема, отличие в типах или расположении вертикальных торцов панели (зеркальность);

- в панелях без проемов - отличие в типах или расположении вертикальных торцов панели (зеркальность).

1..2 (вторая группа цифр) - унифицированная нагрузка.

П- бетон на пористых заполнителях,

С- для строительства в сейсмических районах.