ПВГ 28.30.13-1ТВ-С

Чертеж изделия:
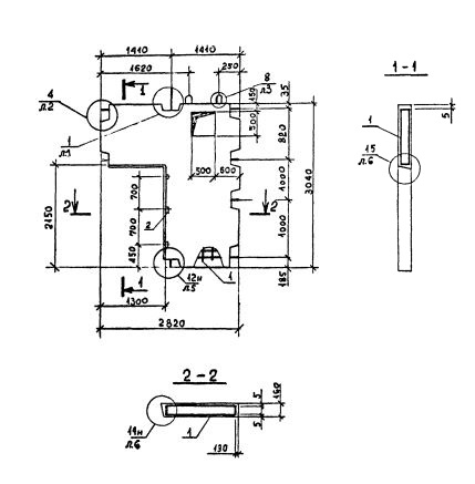
Характеристики изделия:
ПараметрЗначение
длина2820 мм
ширина160 мм
высота3040 мм
масса2020 кг
нормативный документСерия 1.090.1-2с

ПВГ 28.30.13-1ТВ-С  Панели внутренние Г-образные (Серия 1.090.1-2с).

1ТВ - бетон  тяжелый марки М250, панель с вентиляционным отверстием.

С - для сейсмических районов.