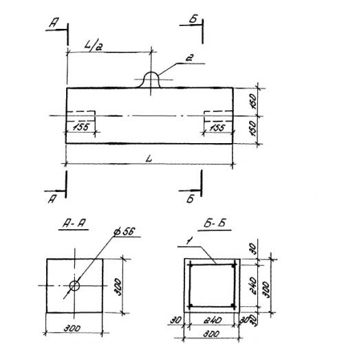
СМ 1.2.30

Чертеж изделия:
Характеристики изделия:
ПараметрЗначение
длина1200 мм
ширина300 мм
высота300 мм
вес280 кг
серия1.110 КР-1

СМ 1.2.30 Сваи многосекционные по  серии 1.110 КР-1.