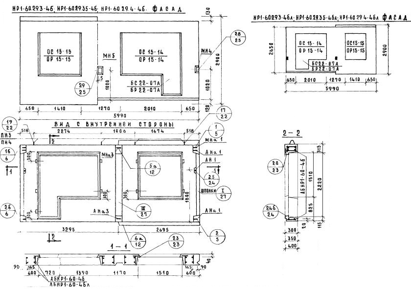
НР1-60.29.35-4бл

Чертеж изделия:
Характеристики изделия:
ПараметрЗначение
Длина5990 мм
Ширина350 мм
Высота2900 мм
Масса5420 кг
Нормативный документСерия 1.132-1

НР1-60.29.35-4бл   Наружная стеновая панель рядовая по Серии 1.132-1.