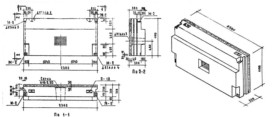
НБП-24.12.5

Чертеж изделия:
Характеристики изделия:
ПараметрЗначение
Длина2380 мм
Ширина500 мм
Высота1180 мм
Масса2445 кг
Нормативный документСерия 1.133-1

Стеновые легкобетонные блоки толщиной 50 см по Серии 1.133-1.

НБП-24.12.5  Парапетный блок.