ПР 30.12

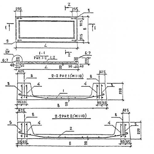
Чертеж изделия:
Характеристики изделия:
ПараметрЗначение
длина2980 мм
ширина1490 мм
высота220 мм
вес925 кг
серия1.220.1-2

ПР 30.12 Панели перекрытия ребристые по серии 1.220.1-2.