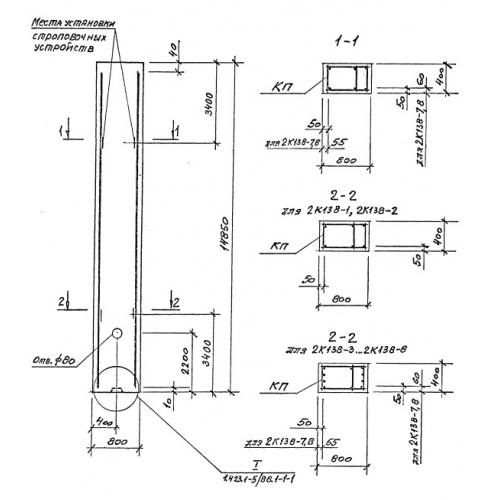
2К 138 колонны
Характеристики изделия:
| Параметр | Значение |
|---|---|
| длина | 14850 мм |
| ширина | 800 мм |
| высота | 400 мм |
| масса | 11900 кг |
| нормативный документ | Серия 1.423.1-5/88 |
Цена:
Рассчитать стоимость2К 138 Колонны Серия 1.423.1-5/88.
| Параметр | Значение |
|---|---|
| длина | 14850 мм |
| ширина | 800 мм |
| высота | 400 мм |
| масса | 11900 кг |
| нормативный документ | Серия 1.423.1-5/88 |
2К 138 Колонны Серия 1.423.1-5/88.
