Р 21
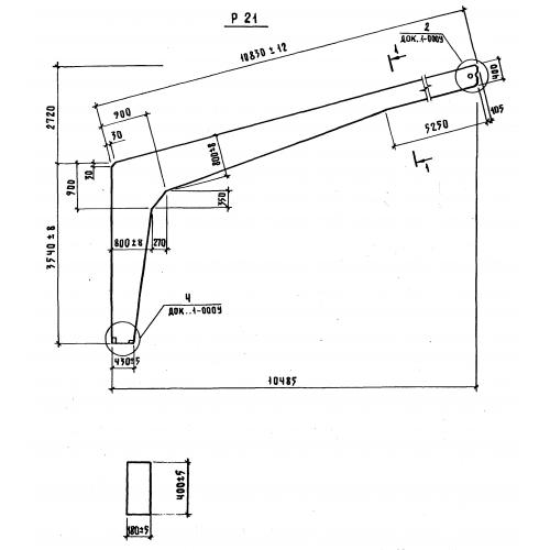
Характеристики изделия:
| Параметр | Значение |
|---|---|
| длина | 10830 мм |
| ширина | 180 мм |
| высота | 6260 мм |
| вес | 3360 кг |
| серия | 1.822.1-5 |
Цена:
Рассчитать стоимостьР 21Полурамы составные по серии 1.822.1-5.
| Параметр | Значение |
|---|---|
| длина | 10830 мм |
| ширина | 180 мм |
| высота | 6260 мм |
| вес | 3360 кг |
| серия | 1.822.1-5 |
Р 21Полурамы составные по серии 1.822.1-5.
