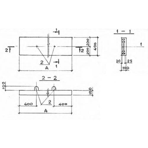
ПП 8

Чертеж изделия:
Характеристики изделия:
ПараметрЗначение
длина2680 мм
ширина400 мм
высота100 мм
вес270 кг
серия3.006-2

ПП 8 Плиты перекрытия лотков по серии 3.006-2.