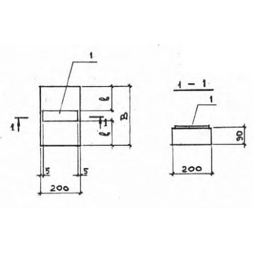
ОП 2 опорные подушки

Чертеж изделия:
Характеристики изделия:
ПараметрЗначение
длина300 мм
ширина200 мм
высота90 мм
масса13 кг
нормативный документСерия 3.006.1-2/87

ОП 2  Опорные подушки Серия 3.006.1-2/87.