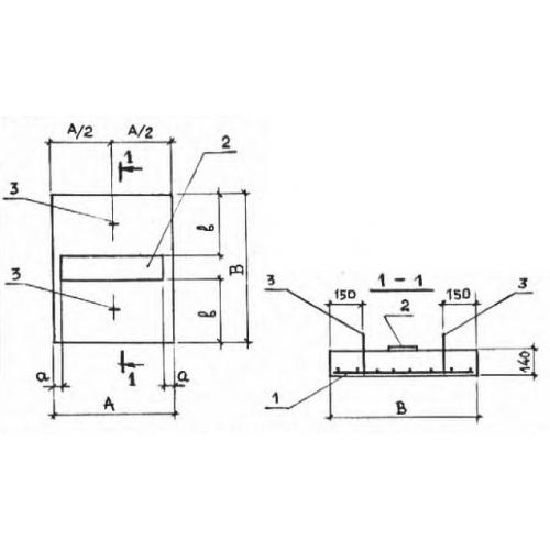
ОП 5 опорные подушки

Чертеж изделия:
Характеристики изделия:
ПараметрЗначение
длина550 мм
ширина650 мм
высота140 мм
масса130 кг
нормативный документСерия 3.006.1-2/87

ОП 5  Опорные подушки Серия 3.006.1-2/87.