П 8 д плиты лотков

Чертеж изделия:
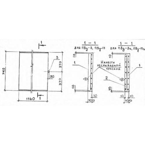
Характеристики изделия:
ПараметрЗначение
длина740 мм
ширина1160 мм
высота100 мм
масса210 кг
нормативный документСерия 3.006.1-2/87

П 8д Плиты перекрытия лотков доборные Серия 3.006.1-2/87.