СТ 12 Стенка портальная

Чертеж изделия:
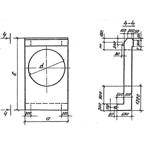
Характеристики изделия:
ПараметрЗначение
длина1760 мм
ширина680 мм
высота3250 мм
масса4000 кг
нормативный документСерия 3.501.1-144

СТ 12  Портальные стенки по Серии 3.501.1-144.