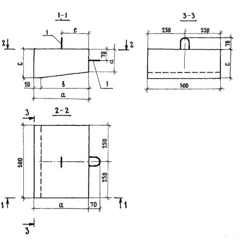
Б 2-22-40 блок
Характеристики изделия:
| Параметр | Значение |
|---|---|
| длина | 500 мм |
| ширина | 375 мм |
| высота | 220 мм |
| вес | 90 кг |
| серия | 3.503.1-66 |
Цена:
Рассчитать стоимостьБ 2-22-40 Прикромочные блоки бетонные по серии 3.503.1-66.
| Параметр | Значение |
|---|---|
| длина | 500 мм |
| ширина | 375 мм |
| высота | 220 мм |
| вес | 90 кг |
| серия | 3.503.1-66 |
Б 2-22-40 Прикромочные блоки бетонные по серии 3.503.1-66.
