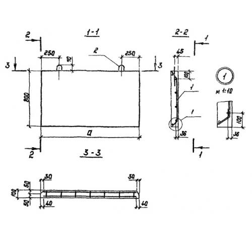
ПС 2

Чертеж изделия:
Характеристики изделия:
ПараметрЗначение
длина1680 мм
ширина100 мм
высота800 мм
вес325 кг
серия3.503.1-75

ПС 2 Плиты заборных стенок по серии 3.503.1-75.