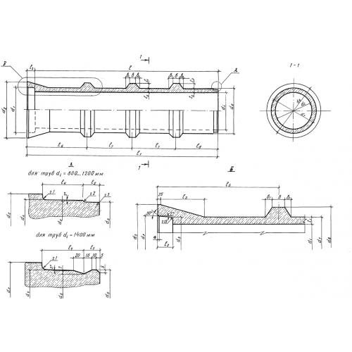
ТСР 100.35

Чертеж изделия:
Характеристики изделия:
ПараметрЗначение
длина3670 мм
ширина1499 мм
высота1499 мм
масса4200 кг
нормативный документСерия 3.820.1-81.94

ТСР 100.35  Труба бетонная безнапорная ребристая раструбная, имеющая ступенчатую стыковую поверхность втулочного конца. Уплотнение стыковой поверхности таких элементов производится резиновыми кольцамиСерия 3.820.1-81.94.