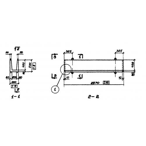
ЛП 2-30
Характеристики изделия:
| Параметр | Значение |
|---|---|
| длина | 2970 мм |
| ширина | 360 мм |
| высота | 530 мм |
| вес | 670 кг |
| серия | 3.900-2 |
Цена:
Рассчитать стоимостьЛП 2-30 Элементы прямоугольных лотков по серии 3.900-2.
| Параметр | Значение |
|---|---|
| длина | 2970 мм |
| ширина | 360 мм |
| высота | 530 мм |
| вес | 670 кг |
| серия | 3.900-2 |
ЛП 2-30 Элементы прямоугольных лотков по серии 3.900-2.
