ПС

Чертеж изделия:
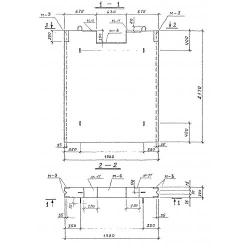
Характеристики изделия:
ПараметрЗначение
длина1980 мм
ширина220 мм
высота2170 мм
масса2280 кг
нормативный документСерия 3.903 КЛ-13

ПС  Панели стеновые по Серии 3.903 КЛ-13.