БЭ 3

Чертеж изделия:
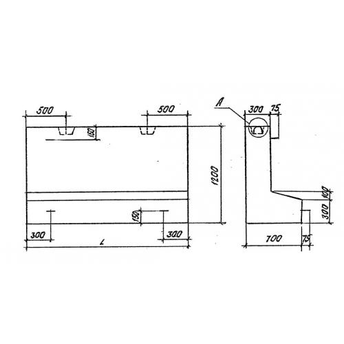
Характеристики изделия:
ПараметрЗначение
длина4000 мм
ширина700 мм
высота1200 мм
масса5000 кг
нормативный документШифр 2175РЧ

БЭ 3 Блоки противфильтрационного экрана по Шифру 2175РЧ.